2088型智能压力开关-TXZC系列电子开关-

在线咨询

产品列表

在线咨询 QQ交谈 微信咨询 13656120670

在线咨询

联系电话

常州天利智能控制股份有限公司

Products

2088型智能压力开关

品牌:天祥
型号:2088
价格:点击咨询
400热线:400-119-0288
  • 产品介绍
  • 资料下载
  • 产品模型

一、概述

TXYS通用型2088型智能压力开关采用316L材质扩散硅压力芯体作为敏感元件,内置处理电路,经过计算机自动测试,并用激光调阻工艺进行了宽温度和灵敏度补偿,将传感器毫伏信号转换成标准电压﹑电流信号输出,可直接与计算机、控制仪表﹑显示仪表等相连。

选用高稳定性和高可靠性的压阻式压力传感器和高性能的开关和变送器专用电路,整体性能稳定可靠,可进行远距离信号传输。采用工业型防爆壳体,数字化补偿电路,显示输出稳定。

二、特点

外壳防护等级IP65;316L不锈钢隔离膜片结构;高精度、全不锈钢结构;数字压力显示;抗干扰强、长期稳定性好;两路开关量输出SPDT;量程范围宽,可测量表压、绝压和差压;抗振动、抗冲击

三、适用范围

2088型智能压力开关是工业实践中常用的一种智能压力开关,其广泛应用于各种工业自控环境,涉及水利水电、铁路交通、智能建筑、生产自控、航空航天、军工、石化、油井、电力、船舶、机床、管道等众多行业。

四、性能参数

量程范围

-100kPa…0~10kPa…100MPa

压力类型

表压、绝压、差压

供电电源

24V

输出信号

SPST+4~20mA、

工作温度

-20℃~85℃

介质温度

-20℃~85℃

储存温度

-40℃~100℃

零点温漂

±0.1%FS(-20℃~85℃)

灵敏度温漂

±0.1%FS(-20℃~85℃)

过载压力

150%FS

机械振动

20g(20~5000HZ)0

冲击

100g(11ms)

综合精度

0.5级

100MΩ/250VDC

响应时间

100ms

长期稳定性

±0.1%FS/年

EMC浪涌

IEC61000-4-5)2KV

EMC静电

IEC61000-4-2)接触放电8KV,空气放电15KV

防护等级

IP65

防爆等级

本安防爆ExiaⅡCT6 / 隔爆防爆ExdⅡCT6

材质

外壳铝/不锈钢;隔离膜片316L

材质

外壳铝/不锈钢;隔离膜片316L


五、选型表

2088型压力变送器

TXY  a b c / d e

a、传感器类型

S-G

扩散硅表压(常规)

S-A

扩散硅绝压(常规)

S-D

扩散硅差压



b、过程连接形式

00

M20*1.5

01

NPT1/2

02

NPT1/4

03

G1/2

04

G1/4

07

M14*1.5

c、输出信号

7

两路开关量+一路4-20mA信号



d、附加选项

外壳类型

X

2088躯壳配常规接头

Y

2088躯壳配高温接头(**200℃蒸汽)

Z

2088躯壳配卡箍接头(φ50.5)



现场显示

A

带数码管(LED)显示表头



精度等级

3

0.5级



特殊要求(多选项)

无特殊要求

i

本安防爆ExiaIICT6

d

隔爆防爆ExdIICT6

L

316L材质接头(不选为304材质接头)

Y

全英文铭牌

E

中英文铭牌

F

径向不锈钢外壳(不选为压铸铝外壳)

F

径向不锈钢外壳(不选为压铸铝外壳)

e、量程


参见量程选型详表

选型举例:TXYS-G007/XA3i16

2088型智能压力开关,表压,接口螺纹M20*1.5,两路开关量+一路4-20mA信号带数码管(LED)显示表头,度

等级0.5级,本安防爆型,量程为0-40Mpa

量程选型详表

编码

量程

编码

量程

编码

量程

编码

量程

编码

量程

27

0-10Kpa

01

0-35Kpa

02

0-70Kpa

03

0-100Kpa

05

0-350Kpa

47

0-0.6Mpa

25

0-0.5Mpa

26

0-1.6Mpa

42

-0.1-1.6Mpa

22

0-2.5Mpa

23

0-4Mpa

20

0-6Mpa

58

0-8Mpa

11

0-10Mpa

38

0-16Mpa

13

0-25Mpa

14

0-35MPa

16

0-40Mpa

92

0-50Mpa

17

0-60Mpa

特殊量程可定制


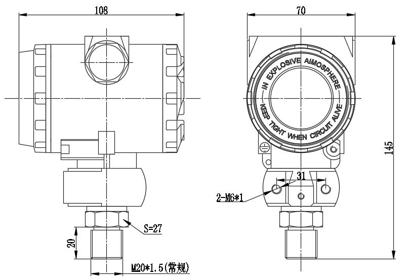
六、外形尺寸

七、电气接线

接线端子设置在电气盒的独立舱内。在接线时,可拧下接线侧的表盖。

本产品有10个端子,所以常规的产品默认为2路控制器带1路模拟输出。

八、设置参数

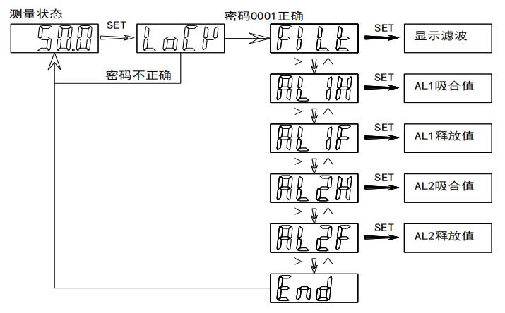
面板具有4个数码管和3按键,设定键为SET,位选键为SUB,增加键为ADD。

1.开关点设置流程:

FILT此值为显示滤波系数。

AL1H此值为开关1(AL1/SP1)吸合值

AL1F此值为开关1(AL1/SP1)释放值

AL2H此值为开关2(AL2/SP2)吸合值

AL2F此值为开关2(AL2/SP2)释放值

END保存退出

注意:如果AL1H>AL1F,则此SP1为上限报警模式,如果AL1H

2. 零位清零:

在零位压力状态下,长按移位键,也就是最中间的按键,长按越3-4秒钟即可清零。再次执行清零操作会恢复到工厂校准状态。出厂状态默认清零值为0.

九、注意事项

1、请按图示接线方法正确接线。若接反,由于仪表内部采用了保护措施,将无信号输出。

2、该仪表使用在对不锈钢无蚀害的介质中(特殊防腐型除外)。

3、所测系统可出现的**压力不能超过额定过载值,开关背压端不能直接接导电性、腐蚀性液体或气体,液位密封型导气电缆的导气孔不能堵塞。

4、严禁将尖而硬的东西伸入压力输出孔,齐平膜型变送器的膜片不能用手等任何东西碰撞。

5、本产品属精密的一次测量仪表,严禁随意摔打,强力夹持,拆卸或用尖锐的金属器具捅引压孔。

6、仪表尽可能安装于通风、干燥、无蚀、荫凉之处。如现场环境恶劣,应采取妥善措施保护仪表。

7、非专业人员请勿拆开仪表或更改参数设置。


2088型智能压力开关说明书-2025版.pdf


下一篇:没有了!